Meine Trojan hat nun auch endlich eine Beleuchtung bekommen - Die Vereinskollegen sagen, das ist eine echte Bereicherung.

Die Beleuchtung besteht aus den Positionslichtern, zwei ACLs unten und hinten und einem Landescheinwerfer.


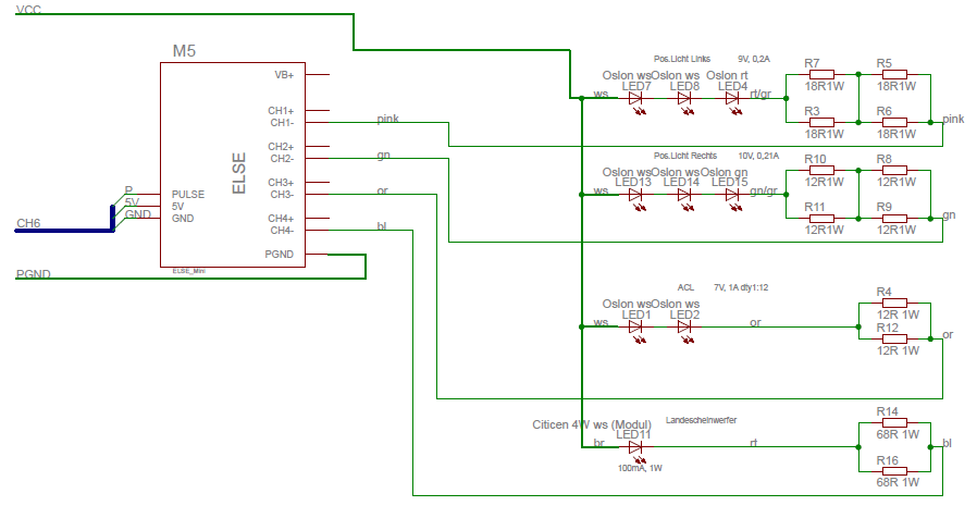
Aber zurück zum Bau: bis auf den Landescheinwerfer sind alle Leuchtdioden vom Typ Osram Oslon - einer meiner Lieblings-LED-Serie.
Die LEDs sind mit etwas Übung leicht zu verarbeiten, haben ein separates Thermal-Pad und sind haben eine ordentliche Helligkeit.
Bei meiner Trojan habe ich jeweils zwei LEDs mit einem Kupferblech als Kühlkörper verlötet. Dabei habe ich das Thermal-Pad jeweils bei einer LED mit der Anode, die andere LED mit der Kathode verbunden. Damit ist das Blech nicht nur Kühlkörper, sondern auch elektrische Verbindung zwischen den LEDs.
Das ACL am Bauch habe ich leicht versenkt angebracht. Ich habe inzwischen etliche Bauchlandungen hingelegt - ohne Probleme.
Der Landescheinwerfer ist ein Modul von Citicen mit 4 Watt.
Hier das ACL am Seitenruder. Die Anode wird über die Kante am Kupferblech kontaktiert, sonst gäbe es hier einen Kurzschluss.
Natürlich übernimmt die Steuerung der LEDs wieder mein bewährtes Else :-)

So sieht jetzt meine Trojan im Flug aus:






Schick, oder?